Humayun - Espaces, formes et contours

Espaces, formes et contours

Architecture moderne, ancienne, égyptienne, géométrie, harmonie

Accéder au contenu

  • Raccourcis
  • FAQ
  • Connexion
  • Inscription
  • Espaces, formes et contours Espaces, formes et contours CatĂ©gories du forum Architecture Asie

Humayun

Répondre
  • Aperçu avant impression
8 messages • Page 1 sur 1
Jean François
Site Admin
Messages : 2220
Inscription : 18 Juin 2018, 18:28

Humayun

  • Citer

Message par Jean François » 26 Avr 2022, 01:01

Remonter le temps !

Juste avant la préparation du sol et la venue des géomètres et arpenteurs.

Remonter les pensées du concepteur !

Cet invisible, l'invisible pensée au cœur du plan et de l'élévation.

Comme une chorégraphie que le corps articule dans l'espace et dans le temps, pas et figures se succèdent, se combinent, dialoguent !

Dès que le protocole fait son premier pas dans les pensées du concepteur les correspondances abondent, se multiplient pli selon pli, deviennent arborescentes.

Nous analyserons en parallèle Humayun et le Taj Mahal, l'un ayant inspiré l'autre et l'un et l'autre respirent encore ensemble la même éternité des formes et des contours car l'espace qu'ils rayonnent défie le temps !
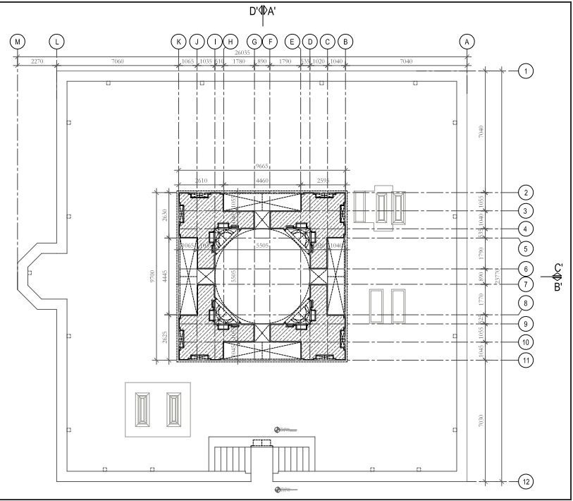
Humayun.jpeg
( Cliquer sur l'image)

Le plan de Humayun

Humayun quadratrure 3 (2).PNG
( Cliquer sur l'image)

Le grand cercle violet est en quadrature périmétrique avec le grand carré formé par les quatre carrés oranges.

Ce cercle a un diamètre de 120 meh nessou Egyptiennes.

Le cercle est symbole du ciel, tout comme l'enceinte de Djeser qui a le même périmètre qu'un cercle de mille meh nessou de diamètre tombé du ciel pour une quadrature sur terre qui est l'enceinte de Djeser !

Ici, un cercle de 120 meh nessou de diamètre est aussi tombé du ciel pour qu'un carré terrestre soit en correspondance avec le cercle du ciel, le mausolée de Humayun !

Quand au carré jaune dont les coins passent en dessous de nos quatre carrés, nous pourrions le superposer à l'identique avec la largeur du stylobate du Parthénon !

Les coins de ce carré sont les centres des quatre petits dômes qui entourent le grand dôme central.

Ce même grand carré formé des quatre petits carrés a aussi son cercle surfacique, le cercle bleu suivant le violet, Il dessine des ouvertures.

Les quatre carrés oranges ont leur cercle périmétrique qui viennent couper les coins de Humayun....

Humayun Quadrature 4 (2).PNG
(Cliquer sur l'image)


Humayun Quadrature 2 (2).PNG
( Cliquer sur l'image )

Encore des quadratures surfaciques et périmétriques !

Il en tombe Ă  Humayun et au Taj Mahal des cercles du ciel !

Il suffit de mettre un genou Ă  terre et de les contempler !

BientĂ´t des dessins et explications claires.

NB: Corrigé une erreur, c'est 120 meh nessou et non 100 meh nessou ou coudées royales, valeur de la meh nessou 0.5236 mètres
jeanfrancoiswarein@gmail.com
Haut

Jean François
Site Admin
Messages : 2220
Inscription : 18 Juin 2018, 18:28

Re: Humayun

  • Citer

Message par Jean François » 03 Mai 2022, 02:42

Humayun Quadrature 7 (2).PNG
( Cliquer sur l'image)

Les quatre carrés bruns et roses ont leur cercle périmétrique de 24 mètres de diamètre, cercles rouges.

Les carrés font donc 36 meh nessou de côté.

Passés par la fonction Phi carré ils font naitre les côtés du grand carré qui ceint l'ensemble de Humayun.

Humayun Quadrature 8 (2).PNG
( Cliquer sur l'image)


Le carré jaune qui joint les quatre dômes, de 30.853 mètres joint les centres des carrés et de leur cercle, c'est 100 pieds grecs du Parthénon.


Humayun Quadrature 9 (2).PNG
( Cliquer sur l'image)


Les quatre cercles semblent se mettre en mouvement emmenés par le cercle centrale en quadrature périmétrique avec le carré de 18 mètres de côté qui joint les quatre petits dômes, carré gris vert.


Humayun Quadrature 10 (2).PNG
( Cliquer sur l'image)


On voit bien ici les cercles périmétriques déterminer les ouvertures.

L'analyse continue...
jeanfrancoiswarein@gmail.com
Haut

Jean François
Site Admin
Messages : 2220
Inscription : 18 Juin 2018, 18:28

Re: Humayun

  • Citer

Message par Jean François » 11 Mai 2022, 10:43

Me vient Ă  l'esprit !

C'est tout de même un 49.71 mètres pour le côté du grand carré !

Un carré de 110 pieds Babyloniens a une diagonale de 49,73 mètres.

A méditer sur le Mandala...
jeanfrancoiswarein@gmail.com
Haut

Jean François
Site Admin
Messages : 2220
Inscription : 18 Juin 2018, 18:28

Re: Humayun

  • Citer

Message par Jean François » 29 AoĂ»t 2022, 15:23

Revenons des cathédrales et de Sainte Sophie à Humayun, tout étant dans tout...

Nous allons clarifier les tâtonnements du début.

Une voie possible ( il y en a d'autres tant que nous n'aurons pas pris la bonne) la voie du ciel imagée par un cercle de 120 meh nessou de diamètre.
Humayun cercle du ciel (2).PNG
( Cliquer sur l'image)

Tombé sur terre, il se transforme en carré alliance de même périmétrie !

Nous avons créé un rapport Phi carré, le côté du carré, et 1, le côté des quatre petits carrés.

Ces 4 petits carrés sont parfaitement délimités sur le plan.
Humayun Croix (2).PNG
( Cliquer sur l'image)

En bleu cyan, nous avons tracé le cercle intérieur de notre grand carré, et de suite nous avons tracé, toujours en bleu cyan son carré de même surface.

Le carré violacé ne fait que joindre les centres des quatre petits carrés !

Nous ajoutons en pointillés noirs la liaison entre les espaces 1/Phi qui font naître un carré losangé qui détermines un des côtés des couloirs de liaison.

Humayun nouveau 4 (2).PNG
( Cliquer sur l'image)

Le plan glissé en dessous correspond parfaitement.

Humayun nouveau 5 (2).PNG
( Cliquer sur l'image)

Nous ajoutons aussi en rouge les quatre petits cercles de même périmétrie que nos quatre petits carrés !
Humayun nouveau 2 (2).PNG
( Cliquer sur l'image)

En traçant les petits cercles des domes aux centre des quatre petits carrés, ils viennent comme des roues rouler sur l'intérieur du grand cercle bleu cyan.



Mais aussi les tangentes aux petits cercles rouges qui déterminent l'autre côté des couloirs de liaison.

Humayun nouveau 1 (2).PNG
( Cliquer sur l'image)
Le reste en découle
Humayun nouveau (2).PNG
( Cliquer sur l'image)
Nous mettrons bientĂ´t les correspondances des mesures !
jeanfrancoiswarein@gmail.com
Haut

Jean François
Site Admin
Messages : 2220
Inscription : 18 Juin 2018, 18:28

Re: Humayun

  • Citer

Message par Jean François » 30 AoĂ»t 2022, 01:38

https://whc.unesco.org/fr/list/232/video/

Merveille !

https://whc.unesco.org/document/155947

Quelques plans très détaillés, enfin, de tombes avoisinantes, malheureusement pas de Humayun.

Nous travaillerons sur ces plans avec toutes les mesures précises qui, enfin, nous aideront à mieux comprendre la tombe de Humayun.

Quel beau cadeau nous fait l'UNESCO !
jeanfrancoiswarein@gmail.com
Haut

Jean François
Site Admin
Messages : 2220
Inscription : 18 Juin 2018, 18:28

Re: Humayun

  • Citer

Message par Jean François » 31 AoĂ»t 2022, 01:18

Tombe de l'inconnu Humayun plan entier (2).PNG
(Cliquer sur l'image)

Tombe de l'inconnu Ă  Humayun (2).PNG
(Cliquer sur l'image)

Tombeau de l'inconnu sur le complexe du tombeau de Humayun.

Travaillons sur ces plans détaillés et fiables, autres mandalas.
jeanfrancoiswarein@gmail.com
Haut

Jean François
Site Admin
Messages : 2220
Inscription : 18 Juin 2018, 18:28

Re: Humayun

  • Citer

Message par Jean François » 31 AoĂ»t 2022, 14:52

Peut être trouverons nous en confrontant tous les édifices à l'entour du Tombeau de Humayun des analogies du geste, des clefs, des outils de réflexion, qui faciliteront la lecture harmonique de ces architectures.

J'ai tout essayé les mesures chinoises, donc Mogols, Romaines, Indiennes et Grecques, cela ne s'intègrent pas.

Seules les Chinoises et Romaines peuvent s'intégrer( Pieds romains et Chi Tang chinois ont la même valeur en mètres ) mais par quadratures, et, les mesures grecs, par la racine de 2 ce que nous verrons plus loin !

Je laisse donc nos habitudes d'analyse arithmétique avec mesure locale et leur lâche prise définitivement....

Quand on gratte un peu, cela ne marche pas en effet, Ă  moins de tordre les mesures et de faire varier leur valeur comme un yoyo.

L'empereur Constantin au quatrième siècle se plaint de ne plus trouver de Maitre bâtisseur...

Malgré tous ses efforts, au VIème siècle c'est l'hécatombe qui continue...Il faudra pour que l'empire de Rome et Bysance puissent construire faire venir des Maitres Bâtisseurs de l'Asie...

Nous n'avons aujourd'hui et depuis 4 siècles plus les grilles de lecture des architectures anciennes !

Vaines paroles...

Les faits maintenant en partant de la Tombe de l'Inconnu, inconnu, sans nom, sans patrie, il peut ĂŞtre tout le monde de n'importe oĂą, n'importe qui...

L'inconnu, l'invisible universel !
Tombe de l'inconnu 1 (2).PNG
( cliquer sur l'image)

Tombe de l'inconnu 2 (2).PNG
( Cliquer sur l'image)

Quadrature périmétriques, etc... !

Pour ceux qui attrapent des boutons en voyant la meh nessou Egyptienne en Inde et de plus par des Mogols, ranger la pommade il suffit d'observer un des quatre carrés jaunes de 5 meh nessou de côté!

Sa diagonale c'est 12 pieds grecs...

Si ce n'est pas suffisant et que cela gratte encore, il suffit de se mettre dans la tête d'un Mogols qui a simplement imaginé que le ciel illumine un cercle de 5 Chi Tang de rayon qui une fois sur terre devient un carré en quadrature surface...

Cercle de 5 Chi Tang fois racine de Pi et c'est justement 5 meh nessou Egyptienne.

Les bâtisseurs d'Asie connaissaient toutes ces mesures et leur liens par la géométrie, les échanges commerciaux et culturels remontent à des temps immémoriaux.

NB: Le carré bleu de 4.445 mètres, de moyenne ici, est l'exacte longueur externe de la petite Chapelle de Sésostris 1 er !

Ici la moyenne des quatre carrés donnent une meh nessou à 0.523 mètres, pas mal la précision des Bâtisseurs Mogols...

Encore une fois le demandeur et payeur est Mogol mais le maître d'oeuvre peut venir de n'importe où !
jeanfrancoiswarein@gmail.com
Haut

Jean François
Site Admin
Messages : 2220
Inscription : 18 Juin 2018, 18:28

Re: Humayun

  • Citer

Message par Jean François » 31 AoĂ»t 2022, 19:15

Tombe de l'inconnu Humayun plan entier (2).PNG
( Cliquer sur l'image)


Les 4 carrés qui ont des côtés de 5 meh nessou sont le dixième de l'ensemble avec son avancée qui frôle les 50 meh nessou.

La largeur quand à elle est tout simplement les 10/11 de 50 meh nessou puisque sa mesure relevée est de 23.77 mètres, les 10/11 étant 23.80 mètres.

Nous verrons aussi Chota Bastashewala qui a une forme d'octogone qui s'inscrit parfaitement dans un carré, de 13.09 mètres, 25 meh nessou, moitié de l'ensemble de la Tombe de l'Inconnu, c'est alors en surface un demi Sa Egyptien, ou 50 Hexapodes grecs...

Ce carré qui contient l'octogone, pourrait contenir aussi rigoureusement la surface exacte de 4 Chapelles Blanches de Sésostris 1er.

Le geste, toujours le geste...
jeanfrancoiswarein@gmail.com
Haut

Répondre
  • Aperçu avant impression

8 messages • Page 1 sur 1

Revenir vers « Asie »

Atteindre
  • CatĂ©gories du forum
  • ↳   Architecture
  • ↳   Afrique
  • ↳   Architecture de l'Egypte ancienne
  • ↳   GĂ©omĂ©trie de la pyramide de KhĂ©ops
  • ↳   La petite Chapelle de SĂ©sostris 1
  • ↳   Gizeh : disposition gĂ©omĂ©trique des pyramides
  • ↳   La pyramide d'Abu Rawash : Redjedef
  • ↳   L'enceinte de Djeser bâtie sur PI ?
  • ↳   Anciennes mesures de surface
  • ↳   A la recherche du Cadastre ...
  • ↳   Les chapelles de SĂ©sostris 1er
  • ↳   La pyramide de Meidoum
  • ↳   le complexe d'Amenemaht III
  • ↳   La chapelle rouge de Karnac
  • ↳   Les chapelles d'albâtre
  • ↳   Le tombeau de Toutânkhamon
  • ↳   KhĂ©phren
  • ↳   MykĂ©rinos
  • ↳   Europe
  • ↳   La cathĂ©drale de Chartres
  • ↳   Notre Dame de Paris
  • ↳   Stonehenge
  • ↳   Chambord
  • ↳   AmĂ©riques
  • ↳   Asie
  • ↳   Australie
  • ↳   Arts visuels et kinesthĂ©siques
  • ↳   Afrique
  • ↳   AmĂ©riques
  • ↳   Asie
  • ↳   Australie
  • ↳   Europe
  • ↳   la peinture et les 3 tables
  • ↳   LĂ©onard De Vinci
  • ↳   La Cène
  • ↳   L'Annonciation
  • ↳   Sandro Botticelli
  • ↳   La naissance de VĂ©nus
  • ↳   L'Annonciation de Botticelli
  • ↳   La Calunnia di Apelle
  • ↳   Piero Della Francesca
  • ↳   Ecrits
  • ↳   Afrique
  • ↳   Textes hiĂ©roglyphiques
  • ↳   AmĂ©riques
  • ↳   Australie
  • ↳   Asie
  • ↳   Europe
  • ↳   En vrac
  • ↳   Musique
  • ↳   Afrique
  • ↳   AmĂ©riques
  • ↳   Asie
  • ↳   Australie
  • ↳   Europe
  • ↳   Sciences et techniques
  • ↳   Afrique
  • ↳   AmĂ©riques
  • ↳   Asie
  • ↳   Australie
  • ↳   Europe
  • ↳   Sciences Humaines
  • ↳   Afrique
  • ↳   AmĂ©riques
  • ↳   Asie
  • ↳   Australie
  • ↳   Europe
  • ↳   Hors sujets en vrac
  • Espaces, formes et contours Espaces, formes et contours
  • Le fuseau horaire est rĂ©glĂ© sur UTC+02:00
  • Supprimer tous les cookies du forum
  • Nous contacter

DĂ©veloppĂ© par phpBB® Forum Software © phpBB Limited

Traduction française officielle © MaĂ«l Soucaze

PRIVACY_LINK | TERMS_LINK